CoT Kodlu CO2 taşıma tankları, ulusal ve uluslararası şartlara uygun olarak tasarlanır, imal edilir, test edilir ve kontrol edilir. EN 14398 / EN 14025, ADR, 99/36 / AT TPED ve daha fazla Avrupa onayları ile mevcut ISISAN tankları, dünya çapında kullanılmaktadır.


LCO2 YARI RÖMORK TANKLARI KEŞFET
ISISAN TANKLARIN ÖNE ÇIKAN ÖZELLİKLERİ
- C/oTCF series tanks are stationary, pressure vessels with vacuum insulation for long-term storage of cold liquids with high performance conventional insulating material such as expanded polyurethane and low evaporation rate.
- Low operation costs by the high payload to tare weight with optimization of the every area of the design and the materials utilized.
- Safety and comfortable operation because of, improved ergonomics design and easily accessible valves in servicing.
- Low operation cost by using the powerful pumps decreased unloading time and powerful pressure raising unit ensures faster pressurization.
- Take care of the low centre of the gravity improved road handling and excellent stability for more safety transportation.
- Long term durability and reliability because of all steel design, stainless control piping’s, valves and welded connections, equipment supplied by the leaders in each area.
- High performance safety system with dual relief valves and rupture discs by the diverter valves as standard.
- All tankers and their components are cleaned for oxygen services.
- Next to our range of standard transport tanks, ISISAN can provide you with a wide range of tailor made transport solutions likely regulatory requirements.
- ISISAN tankers are designed and manufactured in accordance with the latest international regulations such as ADR and the TPED have been incorporated or other national regulations, as required.
- ISISAN cryogenic tanker manufacturer facility is ISO 9000 approved to assure the best quality in all aspects of our operation.
TASARIM ÖZELLİKLERİ
TAŞIMA TANKLARI | ||
| Tasarım Kodu | EN 14398 / EN 14025, ADR, TPED 99/36/EC | |
| İç Kap Malzemesi | Dubleks Paslanmaz Çelik | Karbon Çelik (EN 10028-3) |
| Maks. İzin Verilwn Çalışma Basıncı | 23 Bar | 24 Bar |
| Tasarım Sıcaklığı | -40 / +50 °C | |
| Yalıtım | Alüminyum Ceketli Köpük Yalıtım | |
YARI RÖMORK | |||||||||
| İç Kap Malzemesi | Dubleks Paslanmaz Çelik | Karbon Çelik | |||||||
| Tank Hacmi | m3 | 20 | 23 | 25 | 20 | 23 | 24,5 | ||
| Net Su Kapasitesi | it | 20000 | 23100 | 24750 | 20000 | 23030 | 24530 | ||
| Boş Tank Ağırlığı | kg | 9200 | 9700 | 10200 | 10000 | 10700 | 10900 | ||
| Sıvı (0.5 barg) | kg | 19380 | 22380 | 23980 | 19380 | 22300 | 23770 | ||
| Toplam | kg | 35580 | 39100 | 41200 | 36380 | 40000 | 41670 | ||
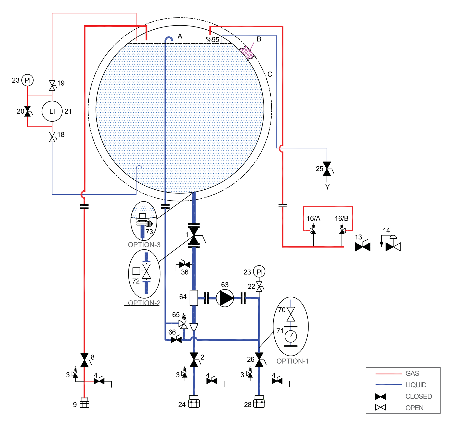
P&ID
ISISAN reserves the right to change above specifications without prior notive.
NOMENCLATURE | |||||
| 1 | Liquid Fill Valve | 22 | Manometer Valve | OPTION-1 Flow Meter System | |
| 2 | Bottom Fill Valve | 23 | Manometer | 70 | Flow Meter Isolating Valve |
| 3 | Thermal Relief Valve | 24 | Fill Connection | 71 | Flow Meter |
| 4 | Purge Valve | 25 | Try Cock Valve | ||
| 8 | Vapor Equalizing Valve | 26 | Liquid Withdrawal Valve | OPTION-2 Main Liquid Valve with Actuator | |
| 9 | Vapor Equalizing Connection | 28 | Liquid Withdrawal Connection | 72 | Main Liquid Valve with Actuator instead of 1 |
| 13 | Regulator Isolating Valve | 35 | Analysis Liquid Valve | ||
| 14 | Back Pressure Regulator | 63 | Pump | OPTION-3 Internal Valve | |
| 16/A | Inner Vessel Safety Relief Valve | 64 | Filter | 73 | Internal Valve |
| 16/B | Inner Vessel Safety Relief Valve | 65 | Automatic By-pass Valve | A | Inner Vessel |
| 18 | High Pressure Shut Off Valve | 66 | Manual By-pass Valve | B | Foam Insulation |
| 19 | Low Pressure Shut Off Valve | C | Outlet Jacket | ||
| 20 | Equalizing Valve | ||||
| 21 | Level Indicator | ||||
